$25.00
Manufacturer
John DeereDocument Type
Technical ManualLanguage
EnglishType of Equipment
Lawn TractorIllustrated factory Technical Manual for John Deere Lawn Tractors Models LT133, LT155 and LT166.
This manual will assist you in diagnosing, and repairing for your lawn tractor.
You can use a Windows, Mac, or Android device to view this manual. You only need to have a PDF reader installed.
Covered Models:
LT133
LT155
LT166
Format: PDF, 396 pages
Language: English
Publication Date: 20 Sep 2000
Table of Contents:
Introduction
SAFETY
RECOGNIZE SAFETY INFORMATION
REPLACE SAFETY SIGNS
HANDLE FLUIDS SAFELY-AVOID FIRES
USE CARE IN HANDLING AND SERVICING BATTERIES
USE SAFE SERVICE PROCEDURES
SERVICE TIRES SAFELY
AVOID INJURY FROM ROTATING BLADES, AUGERS AND PTO SHAFTS
HANDLE CHEMICAL PRODUCTS SAFELY
LIVE WITH SAFETY
SPECIFICATIONS AND INFORMATION
GENERAL VEHICLE SPECIFICATIONS
GASOLINE
LUBRICANTS
SERIAL NUMBER LOCATION
ENGINE - KOHLER
SPECIFICATIONS
TROUBLESHOOTING
TESTS AND ADJUSTMENTS
FUEL and AIR REPAIR
ENGINE REPAIR
ENGINE - BRIGGS AND STRATTON
SPECIFICATIONS
TROUBLESHOOTING
TESTS and ADJUSTMENTS
FUEL AND AIR REPAIR
ENGINE REPAIR
ELECTRICAL
READING ELECTRICAL SCHEMATICS
THEORY AND DIAGNOSTIC INFORMATION
SPECIFICATIONS
SCHEMATICS AND WIRING HARNESS LEGENDS - LT133/155
COMPONENT LOCATION - LT133/LT155
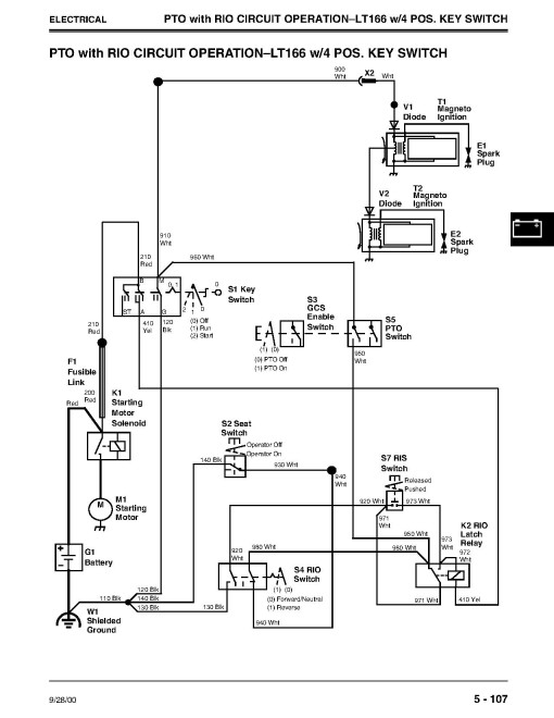
SCHEMATIC AND WIRING HARNESS LEGENDS - LT166
COMPONENT LOCATION - LT166
SCHEMATICS AND WIRING HARNESSES
TROUBLESHOOTING
THEORY OF OPERATION AND DIAGNOSIS
TESTS and ADJUSTMENTS
POWER TRAIN - GEAR
SPECIFICATIONS
COMPONENT LOCATION
THEORY OF OPERATION
TROUBLESHOOTING
DIAGNOSTICS
TESTS and ADJUSTMENTS
REPAIR
POWER TRAIN - HYDROSTATIC
SPECIFICATIONS
COMPONENT LOCATION
THEORY OF OPERATION
TROUBLESHOOTING
DIAGNOSTICS
TESTS AND ADJUSTMENTS
REPAIR
STEERING
SPECIFICATIONS
REPAIR
BRAKES
SPECIFICATIONS
TESTS AND ADJUSTMENTS
REPAIR
ATTACHMENTS
SPECIFICATIONS
TROUBLESHOOTING
DIAGNOSTICS
TESTS and ADJUSTMENTS
REPAIR
MISCELLANEOUS
SPECIFICATIONS
TESTS AND ADJUSTMENTS
REPAIR
INDEX
This manual will assist you in diagnosing, and repairing for your lawn tractor.
You can use a Windows, Mac, or Android device to view this manual. You only need to have a PDF reader installed.
Covered Models:
LT133
LT155
LT166
Format: PDF, 396 pages
Language: English
Publication Date: 20 Sep 2000
Table of Contents:
Introduction
SAFETY
RECOGNIZE SAFETY INFORMATION
REPLACE SAFETY SIGNS
HANDLE FLUIDS SAFELY-AVOID FIRES
USE CARE IN HANDLING AND SERVICING BATTERIES
USE SAFE SERVICE PROCEDURES
SERVICE TIRES SAFELY
AVOID INJURY FROM ROTATING BLADES, AUGERS AND PTO SHAFTS
HANDLE CHEMICAL PRODUCTS SAFELY
LIVE WITH SAFETY
SPECIFICATIONS AND INFORMATION
GENERAL VEHICLE SPECIFICATIONS
GASOLINE
LUBRICANTS
SERIAL NUMBER LOCATION
ENGINE - KOHLER
SPECIFICATIONS
TROUBLESHOOTING
TESTS AND ADJUSTMENTS
FUEL and AIR REPAIR
ENGINE REPAIR
ENGINE - BRIGGS AND STRATTON
SPECIFICATIONS
TROUBLESHOOTING
TESTS and ADJUSTMENTS
FUEL AND AIR REPAIR
ENGINE REPAIR
ELECTRICAL
READING ELECTRICAL SCHEMATICS
THEORY AND DIAGNOSTIC INFORMATION
SPECIFICATIONS
SCHEMATICS AND WIRING HARNESS LEGENDS - LT133/155
COMPONENT LOCATION - LT133/LT155
SCHEMATIC AND WIRING HARNESS LEGENDS - LT166
COMPONENT LOCATION - LT166
SCHEMATICS AND WIRING HARNESSES
TROUBLESHOOTING
THEORY OF OPERATION AND DIAGNOSIS
TESTS and ADJUSTMENTS
POWER TRAIN - GEAR
SPECIFICATIONS
COMPONENT LOCATION
THEORY OF OPERATION
TROUBLESHOOTING
DIAGNOSTICS
TESTS and ADJUSTMENTS
REPAIR
POWER TRAIN - HYDROSTATIC
SPECIFICATIONS
COMPONENT LOCATION
THEORY OF OPERATION
TROUBLESHOOTING
DIAGNOSTICS
TESTS AND ADJUSTMENTS
REPAIR
STEERING
SPECIFICATIONS
REPAIR
BRAKES
SPECIFICATIONS
TESTS AND ADJUSTMENTS
REPAIR
ATTACHMENTS
SPECIFICATIONS
TROUBLESHOOTING
DIAGNOSTICS
TESTS and ADJUSTMENTS
REPAIR
MISCELLANEOUS
SPECIFICATIONS
TESTS AND ADJUSTMENTS
REPAIR
INDEX
General
Manufacturer
John DeereDocument Type
Technical ManualLanguage
EnglishType of Equipment
Lawn TractorReviews: 0
There are no reviews for this product.
Questions: 0
No questions about this product.
Similar Products
