$20.00
Manufacturer
John DeereDocument Type
Technical ManualLanguage
EnglishType of Equipment
Max-Frame MowerIllustrated factory Technical Manual for John Deere Max-Frame Mowers Models Z-Trak 777 and Z-Trak 797.
This manual will assist you in diagnosing, and repairing for your max-frame mower.
You can use a Windows, Mac, or Android device to view this manual. You only need to have a PDF reader installed.
Covered Models:
Z-Trak 777 (SN: 040001-)
Z-Trak 797 (SN: 040001-)
Format: PDF, 428 pages
Language: English
Publication Date: 01 Feb 2006
Table of Contents:
Introduction
Manual Description
Safety
Specifications and Information
Table of Contents
Specifications
Repair Information
Gasoline
Oils and Lubricants
Coolant Specifications
Machine Identification
Engine
Table of Contents
Specifications
Tools and Materials
Theory of Operation
Diagnostics
Tests and Adjustments
Repair
Electrical
Table of Contents
Specifications
Theory and Diagnostic Information
Electrical Schematic Information
Schematic and Wiring Harness Legend
Component Location
Schematics and Harnesses
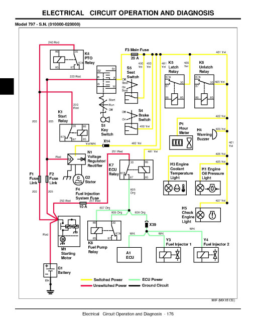
Circuit Operation and Diagnosis
Tests and Adjustments
Repair
Hydrostatic Power Train
Table of Contents
Specifications
Component Location
Theory of Operation
Diagnostics
Tests and Adjustments
Repair
Brakes
Table of Contents
Specifications
Component Location and Operation
Diagnostics
Tests and Adjustments
Repair
Attachments
Table of Contents
Specifications
Theory of Operation
Diagnostics
Tests and Adjustments
Repair
Repair (Optional Vertical MCS)
Repair (Optional Horizontal MCS)
Miscellaneous
Table of Contents
Specifications
Repair
Index
This manual will assist you in diagnosing, and repairing for your max-frame mower.
You can use a Windows, Mac, or Android device to view this manual. You only need to have a PDF reader installed.
Covered Models:
Z-Trak 777 (SN: 040001-)
Z-Trak 797 (SN: 040001-)
Format: PDF, 428 pages
Language: English
Publication Date: 01 Feb 2006
Table of Contents:
Introduction
Manual Description
Safety
Specifications and Information
Table of Contents
Specifications
Repair Information
Gasoline
Oils and Lubricants
Coolant Specifications
Machine Identification
Engine
Table of Contents
Specifications
Tools and Materials
Theory of Operation
Diagnostics
Tests and Adjustments
Repair
Electrical
Table of Contents
Specifications
Theory and Diagnostic Information
Electrical Schematic Information
Schematic and Wiring Harness Legend
Component Location
Schematics and Harnesses
Circuit Operation and Diagnosis
Tests and Adjustments
Repair
Hydrostatic Power Train
Table of Contents
Specifications
Component Location
Theory of Operation
Diagnostics
Tests and Adjustments
Repair
Brakes
Table of Contents
Specifications
Component Location and Operation
Diagnostics
Tests and Adjustments
Repair
Attachments
Table of Contents
Specifications
Theory of Operation
Diagnostics
Tests and Adjustments
Repair
Repair (Optional Vertical MCS)
Repair (Optional Horizontal MCS)
Miscellaneous
Table of Contents
Specifications
Repair
Index
General
Manufacturer
John DeereDocument Type
Technical ManualLanguage
EnglishType of Equipment
Max-Frame MowerReviews: 0
There are no reviews for this product.
Questions: 0
No questions about this product.
Similar Products
