$55.00
Manufacturer
John DeereDocument Type
Technical ManualLanguage
EnglishType of Equipment
Lawn TractorIllustrated factory Technical Manual for John Deere Select Series Lawn Tractors Models X300, X304, X310, X320, X324, X340 and X360.
This manual will assist you in diagnosing, and repairing for your lawn tractor.
You can use a Windows, Mac, or Android device to view this manual. You only need to have a PDF reader installed.
Covered Models:
Select Series X300 (SN: 010001-)
Select Series X304 (SN: 010001-)
Select Series X310 (SN: 010001-)
Select Series X320 (SN: 010001-)
Select Series X324 (SN: 010001-)
Select Series X340 (SN: 010001-)
Select Series X360 (SN: 010001-)
Format: PDF, 798 pages
Language: English
Publication Date: 26 Feb 2020
Table of Contents:
Introduction
Foreword
Safety
Safety
Specifications
General Specifications
O-Ring Seal Service Recommendations
Fuels and Lubricants
Serial Number Locations
Engine FH491V
Specifications
Component Location
Theory of Operation
Diagnostics
General Information
Tests and Adjustments
Repair
Engine FH661/FH721
Specifications
Tools and Materials
Component Location
Theory of Operation
Diagnostics
General Information
Tests and Adjustments
Repair
Engine FS541V/FS600V
Specifications
Component Location
Theory of Operation
Diagnostics
General Information
Tests and Adjustments
Repair
Engine FS651V
Specifications
Tools and Materials
Component Location
Theory of Operation
Diagnostics
General Information
Tests and Adjustments
Repair
Electrical
Information
Specifications
Schematics and Harnesses (SN -040000)
Theory of Operation (SN -040000)
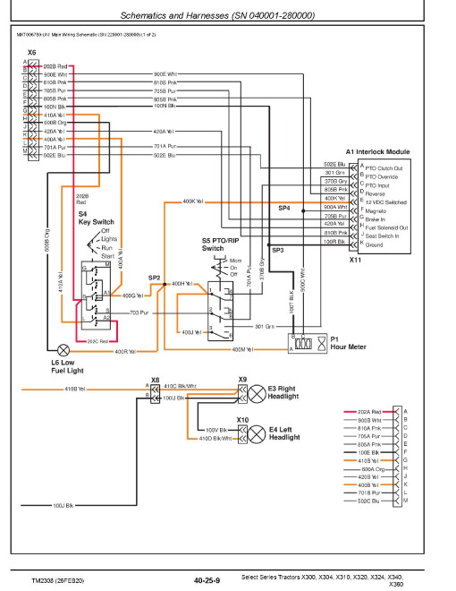
Schematics and Harnesses (SN 040001-280000)
Theory of Operation (SN 040001-280000)
Schematics and Harnesses Export (SN 150001-280000)
Theory of Operation Export (SN 150001-280000)
Schematics and Harnesses (SN 280001-)
Theory of Operation (SN 280001-)
Tests and Adjustments
Repair
Power Train
Specifications
Component Location
Theory of Operation
Diagnostics
Tests and Adjustments
Repair
Hydraulics
Specifications
Component Location
Theory of Operation
Diagnostics
Tests and Adjustments
Repair
Steering
Specifications
Component Location
Theory of Operation
Tests and Adjustments
Repair
Attachments
Specifications
Component Location
Diagnostics
Tests and Adjustments
Repair
Miscellaneous
Specifications
Tests and Adjustments
Repair
This manual will assist you in diagnosing, and repairing for your lawn tractor.
You can use a Windows, Mac, or Android device to view this manual. You only need to have a PDF reader installed.
Covered Models:
Select Series X300 (SN: 010001-)
Select Series X304 (SN: 010001-)
Select Series X310 (SN: 010001-)
Select Series X320 (SN: 010001-)
Select Series X324 (SN: 010001-)
Select Series X340 (SN: 010001-)
Select Series X360 (SN: 010001-)
Format: PDF, 798 pages
Language: English
Publication Date: 26 Feb 2020
Table of Contents:
Introduction
Foreword
Safety
Safety
Specifications
General Specifications
O-Ring Seal Service Recommendations
Fuels and Lubricants
Serial Number Locations
Engine FH491V
Specifications
Component Location
Theory of Operation
Diagnostics
General Information
Tests and Adjustments
Repair
Engine FH661/FH721
Specifications
Tools and Materials
Component Location
Theory of Operation
Diagnostics
General Information
Tests and Adjustments
Repair
Engine FS541V/FS600V
Specifications
Component Location
Theory of Operation
Diagnostics
General Information
Tests and Adjustments
Repair
Engine FS651V
Specifications
Tools and Materials
Component Location
Theory of Operation
Diagnostics
General Information
Tests and Adjustments
Repair
Electrical
Information
Specifications
Schematics and Harnesses (SN -040000)
Theory of Operation (SN -040000)
Schematics and Harnesses (SN 040001-280000)
Theory of Operation (SN 040001-280000)
Schematics and Harnesses Export (SN 150001-280000)
Theory of Operation Export (SN 150001-280000)
Schematics and Harnesses (SN 280001-)
Theory of Operation (SN 280001-)
Tests and Adjustments
Repair
Power Train
Specifications
Component Location
Theory of Operation
Diagnostics
Tests and Adjustments
Repair
Hydraulics
Specifications
Component Location
Theory of Operation
Diagnostics
Tests and Adjustments
Repair
Steering
Specifications
Component Location
Theory of Operation
Tests and Adjustments
Repair
Attachments
Specifications
Component Location
Diagnostics
Tests and Adjustments
Repair
Miscellaneous
Specifications
Tests and Adjustments
Repair
General
Manufacturer
John DeereDocument Type
Technical ManualLanguage
EnglishType of Equipment
Lawn TractorReviews: 0
There are no reviews for this product.
Questions: 0
No questions about this product.
Similar Products
