$49.00
Manufacturer
John DeereDocument Type
Diagnostic ManualLanguage
EnglishType of Equipment
TractorIllustrated factory Diagnostic Manual for John Deere Tractors Models 5076EN and 5090EN.
This manual will assist you in diagnosing for your tractor.
You can use a Windows, Mac, or Android device to view this manual. You only need to have a PDF reader installed.
Covered Models:
5076EN
5090EN
Format: PDF, 850 pages
Language: English
Publication Date: 22 Oct 2019
Table of Contents:
Introduction
Foreword
General Information
Safety
General References
Technical Specific References
Diagnostic Trouble Codes
CCU Code Diagnostics
HCU Code Diagnostics
ICC Code Diagnostics
PTR Code Diagnostics
Observable Symptoms and System Diagnostics
General References
Engine Diagnostics
Fuel, Air Intake, Exhaust, and Cooling Diagnostics
Electrical Diagnostics
Electronic Control Unit Diagnostics
Drive Systems and Transmission Diagnostics
Steering and Brakes Diagnostics
Hydraulic Diagnostics
Operator`s Station-Cab Diagnostics
Engine
General References
Engine Calibrations, Preliminary Checks, and Operational Checks
Engine Theory of Operation
Engine Schematics
Engine Component and Connector Information
Engine Tests and Adjustments
Fuel, Air Intake, Exhaust, and Cooling
General References
Fuel, Air Intake, Exhaust, and Cooling Theory of Operation
Electrical General and Theory of Operation
General References
Theory of Operation
Electrical Schematics
General References
SE01 - Starting, Charging and Neutral Start Circuit
SE02 - Electrohydraulic Control Unit (EHC)
SE03 - CAN Terminator, Service Advisor, and AMS
SE04 - Instrument Cluster Control (PR)
SE05 - Light And Accessories
SE06 - HVAC System
SE07 - Windshield Wiper System
SE08 - Audio System
SE10 - Seat System
SE11 - Accessory, Convenience and Backup Alarm
SE12 - Additional Power Outlet
SE13 - AMS System
SE14 - Lights
Electrical Components and Connectors
General References
40A - Fuses and Relays
40B - Ground Points
40C - Interconnects
40D - Wiring Harnesses
SE01 - Starting, Charging and Neutral Start Circuit
SE02 - Electrohydraulic Control Unit (EHC)
SE03 - CAN Terminator, Service Advisor and AMS
SE04 - Instrument Cluster Control (PR)
SE05 - Light And Accessories
SE06 - HVAC System
SE07 - Windshield Wiper
SE08 - Audio System
SE10 - Seat System
SE11 - Accessory, Convenience and Backup Alarm
SE12 - Additional Power Outlet
SE13 - AMS System
SE14 - Lights
Electrical Tests and Adjustments
General References
Tests and Adjustments
Electronic Control Units
General References
Electronic Control Unit Calibrations, Preliminary Checks and Operational Checks
Electronic Control Unit Theory of Operation
Electronic Control Unit Schematics
Electronic Control Unit Component and Connector Information
Electronic Control Unit Tests and Adjustments
Chassis Control Unit (CCU)
Hitch Control Unit (HCU)
Instrument Cluster Control Unit (ICC)
Power Train Reverser (PTR)
Drive Systems and Transmissions
General References
Drive Systems and Transmission Preliminary, Operational and Calibrations Checks
Drive Systems and Transmission Theory of Operation
Drive Systems and Transmission Schematics
Drive Systems and Transmission Component and Connector Information
Drive Systems and Transmission Tests and Adjustments
Steering and Brakes
General References
Steering Calibrations, Preliminary Checks and Operational Check
Brakes Calibrations, Preliminary Checks and Operational Checks
Steering Theory of Operation
Brakes Theory of Operation
Steering Schematics
Brakes Schematics
Steering Component and Connector Information
Brakes Component and Connector Information
Steering Test and Adjustments
Front Axle Test and Adjustments
Brake Test and Adjustments
Hydraulics
General References
Hydraulic Calibrations, Preliminary Checks, and Operational Checks
Hydraulic System Theory of Operation
Electro-hydraulic Hitch Control Valve Theory of Operation
Electro-hydraulic Hitch Main Relief Valve Theory of Operation
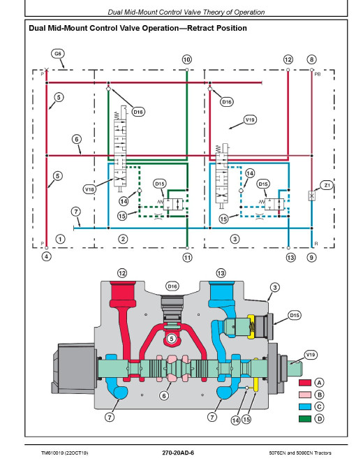
Dual Mid-Mount Control Valve Theory of Operation
Dual Rear Selective Control Valve Theory of Operation
Triple Rear Selective Control Valve Theory of Operation
Double-Acting Sleeve Coupler Theory of Operation
Power Beyond Theory of Operation
Hydraulic Schematics
Hydraulic Component and Connector Information
Hydraulics Test and Adjustments
Operator`s Station
General References
Calibrations, Preliminary Checks and Operational Checks
Theory of Operation
Schematics
Component and Connector Information
Tests and Adjustments
Special Tools
General References
Dealer Fabricated and Service Tools
Section 240A
Section 240B
Section 240C
Section 240D
This manual will assist you in diagnosing for your tractor.
You can use a Windows, Mac, or Android device to view this manual. You only need to have a PDF reader installed.
Covered Models:
5076EN
5090EN
Format: PDF, 850 pages
Language: English
Publication Date: 22 Oct 2019
Table of Contents:
Introduction
Foreword
General Information
Safety
General References
Technical Specific References
Diagnostic Trouble Codes
CCU Code Diagnostics
HCU Code Diagnostics
ICC Code Diagnostics
PTR Code Diagnostics
Observable Symptoms and System Diagnostics
General References
Engine Diagnostics
Fuel, Air Intake, Exhaust, and Cooling Diagnostics
Electrical Diagnostics
Electronic Control Unit Diagnostics
Drive Systems and Transmission Diagnostics
Steering and Brakes Diagnostics
Hydraulic Diagnostics
Operator`s Station-Cab Diagnostics
Engine
General References
Engine Calibrations, Preliminary Checks, and Operational Checks
Engine Theory of Operation
Engine Schematics
Engine Component and Connector Information
Engine Tests and Adjustments
Fuel, Air Intake, Exhaust, and Cooling
General References
Fuel, Air Intake, Exhaust, and Cooling Theory of Operation
Electrical General and Theory of Operation
General References
Theory of Operation
Electrical Schematics
General References
SE01 - Starting, Charging and Neutral Start Circuit
SE02 - Electrohydraulic Control Unit (EHC)
SE03 - CAN Terminator, Service Advisor, and AMS
SE04 - Instrument Cluster Control (PR)
SE05 - Light And Accessories
SE06 - HVAC System
SE07 - Windshield Wiper System
SE08 - Audio System
SE10 - Seat System
SE11 - Accessory, Convenience and Backup Alarm
SE12 - Additional Power Outlet
SE13 - AMS System
SE14 - Lights
Electrical Components and Connectors
General References
40A - Fuses and Relays
40B - Ground Points
40C - Interconnects
40D - Wiring Harnesses
SE01 - Starting, Charging and Neutral Start Circuit
SE02 - Electrohydraulic Control Unit (EHC)
SE03 - CAN Terminator, Service Advisor and AMS
SE04 - Instrument Cluster Control (PR)
SE05 - Light And Accessories
SE06 - HVAC System
SE07 - Windshield Wiper
SE08 - Audio System
SE10 - Seat System
SE11 - Accessory, Convenience and Backup Alarm
SE12 - Additional Power Outlet
SE13 - AMS System
SE14 - Lights
Electrical Tests and Adjustments
General References
Tests and Adjustments
Electronic Control Units
General References
Electronic Control Unit Calibrations, Preliminary Checks and Operational Checks
Electronic Control Unit Theory of Operation
Electronic Control Unit Schematics
Electronic Control Unit Component and Connector Information
Electronic Control Unit Tests and Adjustments
Chassis Control Unit (CCU)
Hitch Control Unit (HCU)
Instrument Cluster Control Unit (ICC)
Power Train Reverser (PTR)
Drive Systems and Transmissions
General References
Drive Systems and Transmission Preliminary, Operational and Calibrations Checks
Drive Systems and Transmission Theory of Operation
Drive Systems and Transmission Schematics
Drive Systems and Transmission Component and Connector Information
Drive Systems and Transmission Tests and Adjustments
Steering and Brakes
General References
Steering Calibrations, Preliminary Checks and Operational Check
Brakes Calibrations, Preliminary Checks and Operational Checks
Steering Theory of Operation
Brakes Theory of Operation
Steering Schematics
Brakes Schematics
Steering Component and Connector Information
Brakes Component and Connector Information
Steering Test and Adjustments
Front Axle Test and Adjustments
Brake Test and Adjustments
Hydraulics
General References
Hydraulic Calibrations, Preliminary Checks, and Operational Checks
Hydraulic System Theory of Operation
Electro-hydraulic Hitch Control Valve Theory of Operation
Electro-hydraulic Hitch Main Relief Valve Theory of Operation
Dual Mid-Mount Control Valve Theory of Operation
Dual Rear Selective Control Valve Theory of Operation
Triple Rear Selective Control Valve Theory of Operation
Double-Acting Sleeve Coupler Theory of Operation
Power Beyond Theory of Operation
Hydraulic Schematics
Hydraulic Component and Connector Information
Hydraulics Test and Adjustments
Operator`s Station
General References
Calibrations, Preliminary Checks and Operational Checks
Theory of Operation
Schematics
Component and Connector Information
Tests and Adjustments
Special Tools
General References
Dealer Fabricated and Service Tools
Section 240A
Section 240B
Section 240C
Section 240D
General
Manufacturer
John DeereDocument Type
Diagnostic ManualLanguage
EnglishType of Equipment
TractorReviews: 0
There are no reviews for this product.
Questions: 0
No questions about this product.
Similar Products
